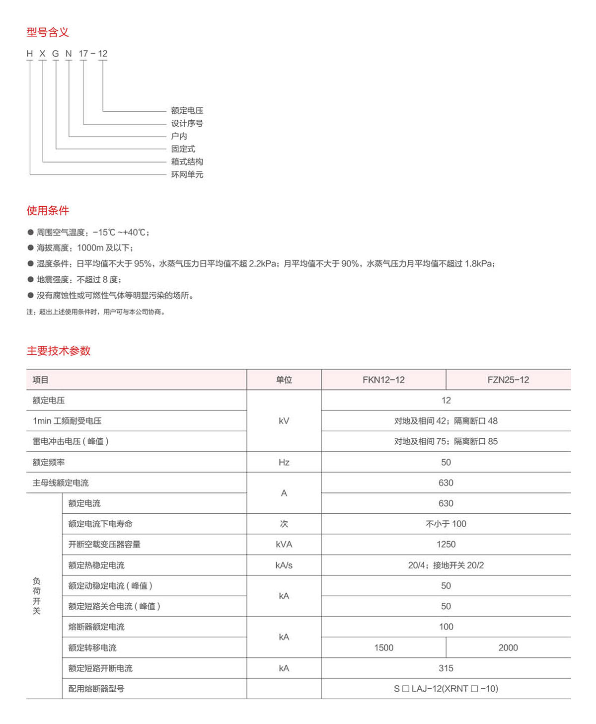
概述
HXGN17-12交流金屬環網開關設備(真空開關)(簡稱環網柜),是為城市電網改造和建設需要而生產的新型高壓開關設備。在供電系統中亦作為開斷負荷電流和短路電流以及關合短路電流之用,本環網柜配用FZRN25、FZRN21真空負荷開關,操作機構為彈簧機構,該機構既可手動操作,也可電動操作。接地開關和隔離刀配用手動操作機構,本環網柜成套性強、體積小、無燃燒和爆炸危險,還具有可靠的“五防”功能。
本環網柜符合GB3906《3-35kV交流金屬封閉開關設備》、IEC60420《高壓交流負荷開關熔斷器組合電器》標準的有關規定。
